[Guide]An Inductor, an IC, and a string of LEDs are the traditional way to build a boost LED driver for LCD Display backlights. Although this is a very desirable solution for small LCD displays that only require a few strings of LEDs, in larger displays, the number of controller ICs and inductors will increase exponentially, thereby increasing the cost. Expenses and PCB area requirements are also rising.
An inductor, an IC, and a string of LEDs are the traditional way to build a boost LED driver for LCD display backlights. Although this is a very desirable solution for small LCD displays that only require a few strings of LEDs, in larger displays, the number of controller ICs and inductors will increase exponentially, thereby increasing the cost. Expenses and PCB area requirements are also rising. This is a major obstacle in the race to replace CCFL in medium-sized bright displays with LEDs that are sturdy and have outstanding spectral characteristics.
A better driver is needed to make the cost and complexity of the LED backlight roughly equivalent to that of CCFL. The LT3598 meets the above requirements by driving 6 LED strings with 10 LEDs each with a current of up to 30mA per string. The device also has a built-in power switch to save space and design time. The efficiency is optimized through an adaptive feedback loop that monitors all LED pin voltages to provide an output voltage that is high enough to light up all LED strings. Even when VIN is higher than VOUT, the LT3598 will continue to regulate the LED current. LED current derating can be based on the programmed LED temperature (through an NTC resistor divider or by setting the junction temperature of the die).
typical application
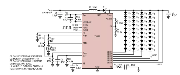
Figure 1 shows the 6 channels of the LT3598 used to drive 60 LEDs, and the current of each string of LEDs is set to 20mA. The CTRL pin and the PWM pin are responsible for providing analog dimming and digital dimming functions, respectively. True Color PWM™ dimming provides constant LED color and a dimming ratio of 3000:1. Figure 2 shows the +0.5% typical current matching accuracy between LED strings, which produces a consistent light distribution, which is very important in large backlight applications.

Figure 1: LED driver for driving 60 20mA LEDs
Figure 2: Current matching of the circuit shown in Figure 1
Need more current?
For those applications that require more than 30mA of current per string of LEDs, the combination of multiple channels of the LT3598 can easily provide higher LED currents. Figure 3 shows a configuration capable of driving two strings of LEDs with currents up to 90 mA per string. The 1000:1 PWM dimming waveform under the condition of 125°C junction temperature (worst case) is shown in Figure 4.

Figure 3: LED driver for driving two strings of 90mA LEDs

Figure 4: 1000:1 PWM dimming provided by the circuit shown in Figure 3 (at 125°C)
TSET pin used to provide thermal protection function
The internal junction temperature of the LT3598 can be limited by setting the TSET pin voltage. When this temperature is reached, if the junction temperature continues to increase, the LED current will decrease linearly (as shown in Figure 5). This thermal regulation function provides important protection under high ambient temperature conditions and allows optimization of a given application for typical (rather than worst-case) ambient temperatures.

Figure 5: TSET function will reduce LED current under high temperature conditions
Disable channel capability
Unused LED pins can be connected to VOUT to disable them so that no current flows into the disabled channel. Fault detection will ignore any channel connected to VOUT. Figure 6 shows an application circuit with two disabled channels, which produces up to 90% efficiency.

Figure 6: Two disabled channels and 4 strings of LEDs
in conclusion
LT3598 is a general-purpose LED driver with a built-in power switch, suitable for driving multiple strings of LEDs. With its robust fault detection function, it can even provide a high PWM dimming ratio. In addition, when all the LED strings are open, a voltage loop will regulate the output voltage.
(Source: Analog Devices)
The Links: HSD150MX15 G080UAN010
0 Comments for “Come and see how this device reduces the cost and complexity of LCD LED backlights”